- Технические характеристики и другая информация предоставляются для справки.
- Чертежи и изображения представлены для ознакомления
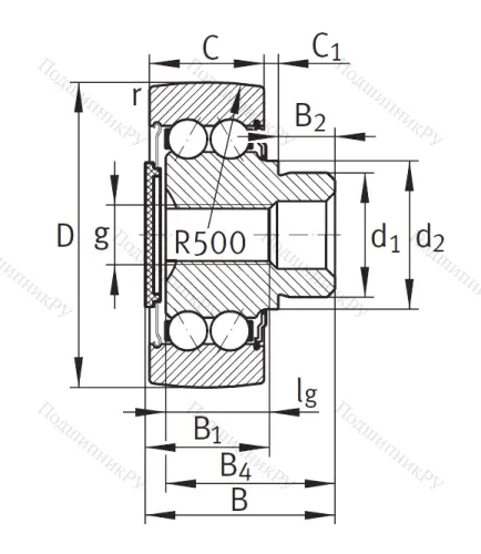
Подшипник ZL 5206 DRS
Подшипник ZL 5206 DRS в конструкцию встроен двухрядный роликовый шарикоподшипник, что является основным отличием от моделей серии ZL2, подшипниковые тела в которых расположены только одним рядом. Со стороны втулки, выступающей в качестве дорожки качения, присутствует контактное одностороннее уплотнение. Также имеется толстостенная внешняя шина, а в некоторых вариантах исполнения присутствует сепаратор.
Почему стоит приобрести Подшипник ZL 5206 DRS?
- Благодаря наличию на стержне накатанной или внутренней резьбы облегчен и ускорен процесс установки детали для ремонта или замены.
- Поверхность имеющегося кольца выполняется в цилиндрической или сферической форме. В последнем случае снижается величина нагрузки, прилагаемой к кромкам, повышается скорость движения, уменьшается количество перекосов, возникающих в процессе работы.
- Коэффициент трения сведен к минимуму благодаря специальному полимерному покрытию.
- Не склонные к коррозиям материалы составных частей данного устройства позволяют монтировать его в механизмах, эксплуатируемых во влажных, химических средах.
Если вам нужен Подшипник ZL 5206 DRS ГОСТ или его (аналог ISO) или другая продукция FAG, KOYO, NSK, SKF, SNR, вы всегда можете оформить заказ в нашем онлайн-магазине!
| Бренд | INA |
| Внутренний диаметр d | 30 мм |
| Внешний диаметр D | 72 мм |
| Ширина B(H) | 59 мм |
|
Производитель
|
INA |
|
Ширина B
|
59 |
|
Внешний диаметр D
|
72 |
|
Внутренний диаметр d
|
30 |
|
Размер
|
30x72x59 |
|
Модель
|
ZL 5206 DRS |
Похожие по размеру
Оформить заказ на нашем сайте легко. Просто добавьте выбранные товары в корзину, а затем перейдите на страницу Корзина, проверьте правильность заказанных позиций и нажмите кнопку «Оформить заказ» или «Быстрый заказ».
Функция «Быстрый заказ» позволяет покупателю не проходить всю процедуру оформления заказа самостоятельно. Вы заполняете форму, и через короткое время вам перезвонит менеджер магазина. Он уточнит все условия заказа, ответит на вопросы, касающиеся качества товара, его особенностей. А также подскажет о вариантах оплаты и доставки.
По результатам звонка, пользователь либо, получив уточнения, самостоятельно оформляет заказ, укомплектовав его необходимыми позициями, либо соглашается на оформление в том виде, в котором есть сейчас. Получает подтверждение на почту или на мобильный телефон и ждёт доставки.
Если вы уверены в выборе, то можете самостоятельно оформить заказ, заполнив по этапам всю форму.
Выберите из списка название вашего региона и населённого пункта. Если вы не нашли свой населённый пункт в списке, выберите значение «Другое местоположение» и впишите название своего населённого пункта в графу «Город». Введите правильный индекс.
В зависимости от места жительства вам предложат варианты доставки. Выберите любой удобный способ.
Оплата
Выберите оптимальный способ оплаты.
Введите данные о себе: ФИО, адрес доставки, номер телефона. В поле «Комментарии к заказу» введите сведения, которые могут пригодиться курьеру, например: подъезды в доме считаются справа налево.
Проверьте правильность ввода информации: позиции заказа, выбор местоположения, данные о покупателе. Нажмите кнопку «Оформить заказ».
Наш сервис запоминает данные о пользователе, информацию о заказе и в следующий раз предложит вам повторить к вводу данные предыдущего заказа. Если условия вам не подходят, выбирайте другие варианты.


