Системы линейного перемещения
Внимание: для уточнения актуальной цены, наличия и условий поставки рекомендуем обратиться к менеджеру отдела продаж. Отгрузка отдельных позиций может занимать от 2 рабочих дней, так как товары находятся на разных складах на территории РФ.
ООО "ПодшипникРУ" поставляет Линейные подшипники. Мы продаём импортные линейные подшипники со склада в Москве, оптом и в розницу, а так же осуществляем доставку во все регионы России. Узнать актуальную цену и купить линейные подшипники, можно позвонив нам по телефону или отправив онлайн заявку.
Первый вид деталей – субъекты движения, к ним относятся такие детали, как втулки, каретки различных типов, втулочный узел, гайка, различные виды сепараторов и рельс.
Второй вид деталей - объекты движения, к ним относятся такие детали, как - рельс, вал, направляющая, вал - винт, различные виды валов, линейная опора качения, каретка.
Детали линейных перемещений поставляются:
- По отдельным видам комплектации, отдельными партиями,
- В сборке одними производителями и в отдельном виде другими,
- Полностью в сборной партии
Изначально комплекс производственных передач представляется, как система перемещения, которая состоит из необходимых механизмов для процесса передвижения. Линейные системы позиционировались, как вспомогательные системы механизмов вращения. Линейные подшипники бывают открытого и закрытого типа.
Закрытые линейные подшипники являются самыми используемыми механизмами в системах линейных перемещений.
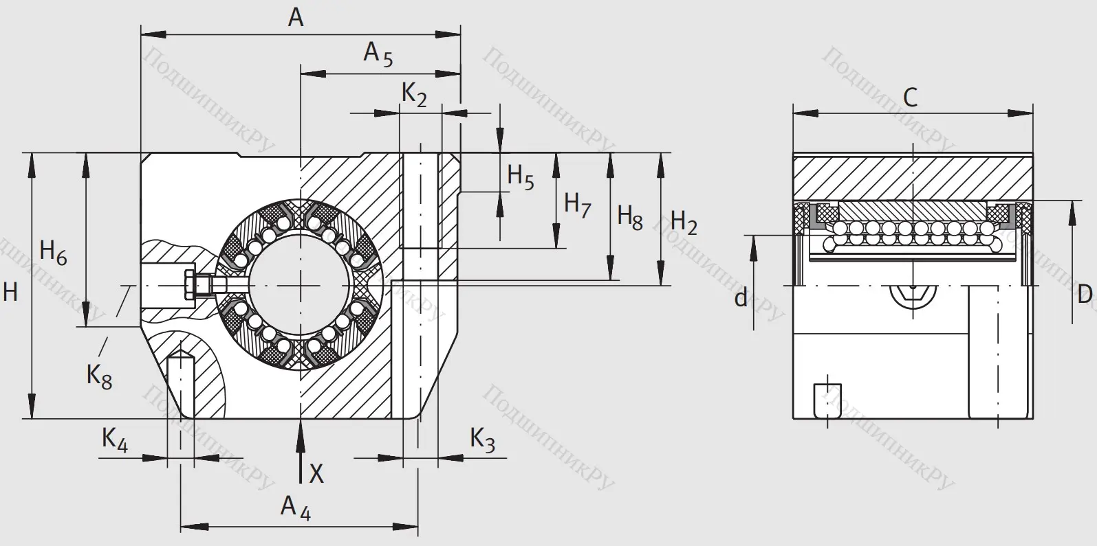
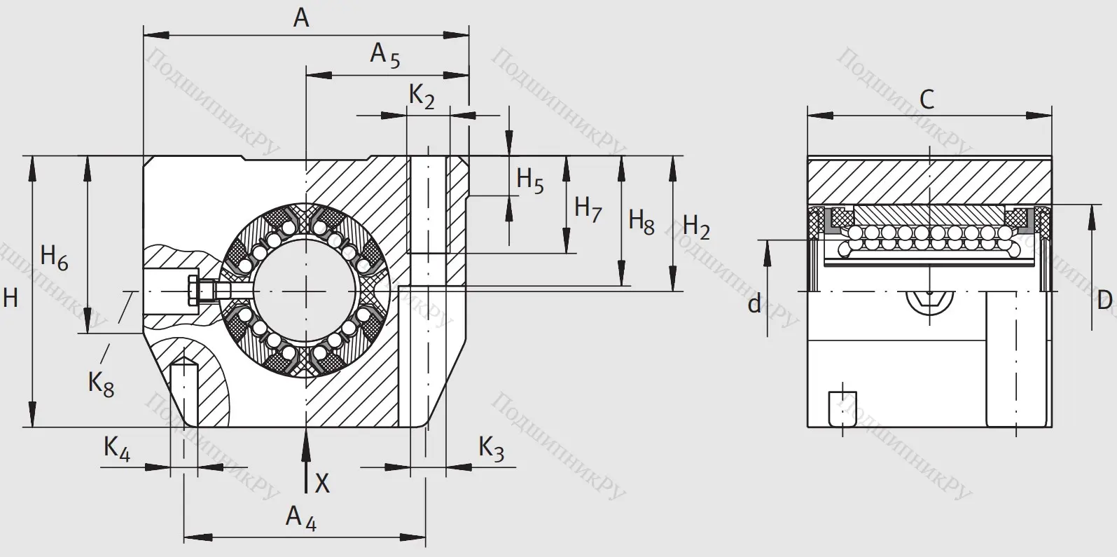
Линейные подшипники конструктивно состоят из:
- Стальной или полиамидной гильзы;
- Стального или полиамидного сепаратора;
- Шариков, сделанной из той же стали, как и подшипники различного вида уплотнений и колец
Направляющие (или прецизионные) валы сделаны из подшипниковой хромированной стали с высоким содержанием углерода или мартенситной «нержавейкой», а также из подшипниковой стали с низким содержания углерода. Эти валы должны соответствовать требованиям округлости, цилиндричности, необходимой степени обработки и идеальной прямолинейности.





























