- Технические характеристики и другая информация предоставляются для справки.
- Чертежи и изображения представлены для ознакомления
Подшипник роликовый самоустанавливающийся 23164-E 1A-K-MB 1 + AH 3164G-H
Подшипник роликовый самоустанавливающийся 23164-E1A-K-MB1 + AH3164G-H предназначен, главным образом, для эксплуатации в условиях аксиальных воздействий. Существуют варианты в однорядном и двухрядном исполнении. В первом случае неразъемная конструкция закрепляется при помощи втулок и включает бочкообразные роликоподшипники, сепаратор, толстостенную внешнюю обойму сферической формы и внутреннее широкое кольцо с бортиками, в котором иногда располагается посадочное гнездо под цилиндрическую или коническую посадочную основу. Второй тип имеет двухрядный набор тел качения и способен к восприятию как аксиальных, так и осевых нагрузок.
Каковы отличительные черты Подшипник роликовый самоустанавливающийся 23164-E1A-K-MB1 + AH3164G-H?
-
Деталь является самоцентрирующейся, то есть позволяет выравнивать перекосы, возникающие в процессе ее установки, компенсирует прогиб валов, несоосность.
-
Применяется в барабанных лебедках, врубовых агрегатах, угольных комбайнах, мощных редукторах, шнеках, крановых скатах и так далее.
-
Обладает высокой грузоподъемностью и износостойкостью даже при ударных темпах работы.
В каталоге магазина для заказа онлайн доступен Подшипник роликовый самоустанавливающийся 23164-E1A-K-MB1 + AH3164G-H ГОСТ или его (аналоги ISO) и прочие высококачественные модели от компаний FAG, KOYO, NSK, SKF, SNR по доступной стоимости!
Технические характеристики
Обозначение : 23164-E1A-K-MB1 + AH3164G-H
Размеры, мм : 300x540x176
Производитель : FAG
Диаметр внутренний, мм : 300
Диаметр наружный, мм : 540
Высота, мм : 176
Технические данные из каталога производителя :
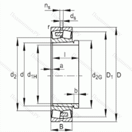
d1H - 300 mm
D - 540 mm
B - 176 mm
a - 8 mm
b - 31 mm
D1 - 469,3 mm
Da max - 520 mm
d - 320 mm
d2G - Tr340X5
da min - 340 mm
ds - 12,5 mm
l - 209 mm
ns - 23,5 mm
ra max - 4 mm
rmin - 5 mm
- AH3164G-H / Условное обозначение, стяжная втулка
m - 161 kg / Вес
m1 - 23,6 kg / Вес, стяжная втулка
Cr - 3800000 N / динамическая грузоподъемность, радиальная
e - 0,32
Y1 - 2,13
Y2 - 3,17
C0r - 5900000 N / статическая грузоподъемность, радиальная
Y0 - 2,08
nG - 1170 1/min / Предельная частота вращения
nB - 660 1/min / Базовая тепловая частота вращения
Cur - 415000 N / Нагрузка предела усталости, радиальная
Основные размеры по DIN 635-2, с коническим отверстием и стяжной втулкой
|
Производитель
|
FAG |
|
Ширина B
|
176 |
|
Внешний диаметр D
|
540 |
|
Внутренний диаметр d
|
300 |
|
Размер
|
300x540x176 |
|
Вес, кг
|
161 |
|
Модель
|
23164-E1A-K-MB1---AH3164G-H-FAG |
|
SKU
|
23164-E1A-K-MB1---AH3164G-H-FAG |
Похожие по размеру
Оформить заказ на нашем сайте легко. Просто добавьте выбранные товары в корзину, а затем перейдите на страницу Корзина, проверьте правильность заказанных позиций и нажмите кнопку «Оформить заказ» или «Быстрый заказ».
Функция «Быстрый заказ» позволяет покупателю не проходить всю процедуру оформления заказа самостоятельно. Вы заполняете форму, и через короткое время вам перезвонит менеджер магазина. Он уточнит все условия заказа, ответит на вопросы, касающиеся качества товара, его особенностей. А также подскажет о вариантах оплаты и доставки.
По результатам звонка, пользователь либо, получив уточнения, самостоятельно оформляет заказ, укомплектовав его необходимыми позициями, либо соглашается на оформление в том виде, в котором есть сейчас. Получает подтверждение на почту или на мобильный телефон и ждёт доставки.
Если вы уверены в выборе, то можете самостоятельно оформить заказ, заполнив по этапам всю форму.
Выберите из списка название вашего региона и населённого пункта. Если вы не нашли свой населённый пункт в списке, выберите значение «Другое местоположение» и впишите название своего населённого пункта в графу «Город». Введите правильный индекс.
В зависимости от места жительства вам предложат варианты доставки. Выберите любой удобный способ.
Оплата
Выберите оптимальный способ оплаты.
Введите данные о себе: ФИО, адрес доставки, номер телефона. В поле «Комментарии к заказу» введите сведения, которые могут пригодиться курьеру, например: подъезды в доме считаются справа налево.
Проверьте правильность ввода информации: позиции заказа, выбор местоположения, данные о покупателе. Нажмите кнопку «Оформить заказ».
Наш сервис запоминает данные о пользователе, информацию о заказе и в следующий раз предложит вам повторить к вводу данные предыдущего заказа. Если условия вам не подходят, выбирайте другие варианты.

