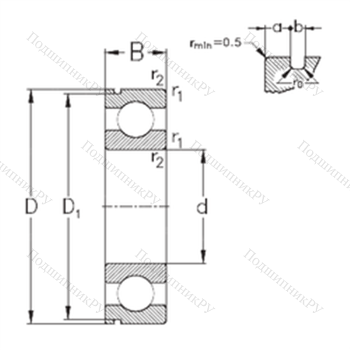
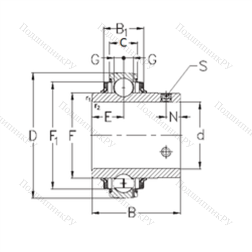
Подшипники NKE > страница 439
Вы можете заказать надежные подшипники в интернет-магазине «ПодшипникРУ» оптом и в розницу. Мы предлагаем только сертифицированную продукцию бренда NKE. Доставим в любой город России. Оказываем помощь в выборе.
|
|||||||||
|
|||||||||
|
|||||||||
|
|||||||||
|
|||||||||
|
|||||||||
|
|||||||||
|
|||||||||
|
|||||||||
|
Производители
Все
ASAHI
BECO
Bosch-Rexroth
DKF
ELGES
EPK
FAG
FBJ
FERSA
FKL
Gamet
GPZ
HIWIN
IKO
INA
ISB
ISB EcoLine
ITN
JNS
KG
KOYO
LPZ
MPZ
NACHI
NBS
NKE
NPZ
NSK
NTN
NTN-SNR
PFI
PSL
RHP
Samick
SKF
SNR
SPZ-GROUP
TIMKEN
TORRINGTON
VBF
VPZ
VPZ-15
ZEN
ZKL
ZVL
ZWZ
АПП
ГПЗ
ГПЗ-1
ГПЗ-10
ГПЗ-10-ГПЗ
ГПЗ-11
ГПЗ-15
ГПЗ-2
ГПЗ-23
ГПЗ-24
ГПЗ-3
ГПЗ-30
ГПЗ-300
ГПЗ-34
ГПЗ-4
ГПЗ-5
ГПЗ-6
ГПЗ-7
ГПЗ-8
ГПЗ-9
ЕПК
КПК
МПЗ
ППЗ
СПЗ-3
СПЗ-4
СПЗ-9
Новости
Все новости
24 мая 2023
Инновационные диски для шлифовки от Osborn
26 апреля 2023
Станки
18 апреля 2023
Ветроэнергетика
28 марта 2023
Целлюлозно-бумажная отрасль
